新一代跑狗社论坛最新活动,新奥2025天天开好彩,777778888精准新传真,港彩免费资料563737,澳门香港免费公开

欢迎访问启东春立机械设备有限公司官网!
邮箱地址:cl@qdclgs.com
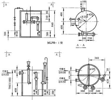
MLPB型系列离心式鼓风机排水器
1、MLPB型排水器为四室排水器,适用于离心式煤气鼓风机本体及进出口管排水。
2、该排水器必须采用压力给水,给水量为2-3t/h。
3、排水器上设有蒸汽或氮气吹扫头,为防止煤气窜入蒸汽或氮气管内,只有在通蒸汽或氮气时,才能把蒸汽或氮气与煤气管连通,停用时必须断开或堵盲板。
4、排出器冷凝水应集中处理。
5、设在露天的排水器在寒冷地区要采取防冻措施,设在室内的应有良好的自然通风。
MLPB型排水器系列规格选用表
型 号
鼓风机
型 号
水封
高度
mm
外形尺寸(mm)
上 水 管
排 水 管
吹 扫 管
煤气冷凝水管
Φ
筒高
H
管径DN
mm
数量
管径DN
mm
数量
管径DN
mm
数量
管径DN
mm
数量
MLPB-I
D100-32
2000
620
840
25
1
50
1
25
4
80
1
MLPB-II
D110-12
1800
620
790
25
1
50
1
25
4
80
2
MLPB-III
D250-11-2
3200
620
1100
25
1
50
1
25
4
80
2
MLPB-II、III型
*MLPB-II、III型各增加一个人补水管DN50
 
主站蜘蛛池模板: 2023新澳天天彩开奖结果资料查询| 2024年澳门特马今晚开奖号码| 郎在对门唱山歌| 澳门三肖三码期期准精选软件亮点| 2024年全年资料免费大全| 黄大仙资料一码100准| 必看的二战电影排行榜| 林中小屋高清在线观看| 剧好听的歌在线观看免费高清| 2024澳门特马今晚开奖81期| 六联盟联10669cn开奖管家婆| 澳门6944CC资料大全| 2023澳门正版资料天空彩| 2024澳门开奖结果查询表最新| 什么是爱情高清| 韩国r电影在线播放| 2023澳门免费资料正版大全| 韩国的三级电影有哪些| 快乐八今日开奖结果开奖号码| 香港6合开奖记录今天| 2024澳门12生肖表图片 | 2021年开奖记录澳门| 《暗夜与黎明》在线观看| 延禧攻略电视剧星辰影院| 澳门最快最准的免费资料aaaa| 香港历史开奖记录完整版记录 | 澳门正版资料大全免费看| 成人性用用品批发价格| 特别的体育运动| 度华年电视剧星辰影院免费观看完整版| 香港澳门开奖号码2023年开奖结果 | 与凤行在线连续剧免费看星辰影院| 三肖期期精准100| 888影视网在线| 新澳门2024年免费资料精准| 澳门今晚三肖三码必中| 2024新澳免费资料新澳传真| 马会会三码中特| 626969cc澳门资料大全2022| 免费观看电视剧黎明之前完整版全剧 | 在线观看www免费|