新一代跑狗社论坛最新活动,新奥2025天天开好彩,777778888精准新传真,港彩免费资料563737,澳门香港免费公开

欢迎访问启东春立机械设备有限公司官网!
邮箱地址:cl@qdclgs.com
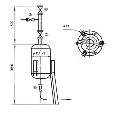
MAPB、1PGB型系列煤气冷凝水排水器(干式)
(一)MAPB-Ⅰ型干式排水器
1、本排水器适用于煤气加压机后高压焦炉煤气管道压力≤0.1MPa.
2、当人工排水时,①-④阀全部关闭,带防毒面具或背风向,打开阀⑤见水基本排尽立即关闭阀⑤,同时打开阀①、阀③。
3、当与管道一起正常投运时,仅开阀①和阀③,其余阀皆关闭。
4、当检修或吹扫时,关闭阀①阀②-⑤,从②阀接蒸汽或氮气置换。
5、煤气冷凝水接管法兰为JB81-59 PN1.0 DN50
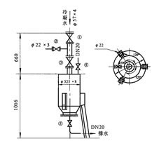
(二)MAPB-Ⅱ型干式排水器
1、本排水器适用于计算机压力0.9MPa脱硫脱奈高压焦炉煤气管道。
2、当人工排水时,①-③阀全部关闭,带防毒面具或背风向,打开阀④见水基本排尽,立即关闭阀④,同时打开阀①、阀③。
3、当干式排水器与管道一起正常投运时,仅开阀①和阀③,其余阀皆关闭。
4、当检修或吹扫时,关闭阀①或在阀后堵盲板,从阀②接蒸汽或氮气吹除。
5、本排水器接管法兰为JB81-59、PN1.6 DN50。
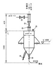
(三)1PGXB型干式悬挂式排水器
1、本排水器适用于南方地区,管径较小,排水量较少的煤气管道上,管道压力≤0.9MPa。若在寒冷地区,排水器应采取保温措施,悬挂高度不超过1m。
2、冷凝水排放操作步骤:
a、缓慢打开阀门①,如有冷凝水排出,则迅速关闭阀门①。
b、关闭阀门②。
c、打开底阀门④,(如底部阀门堵塞,则打开侧面阀门④),把水放到专用的筒内(冷凝水不必放尽)。
d、冷凝水排完后,严密关闭阀门④,再完全打开阀门②。
3、当排水器检测时,应先闭阀门②,打开管堵③,插上盲板⑤,放掉冷凝水,即可检修。
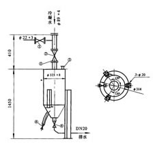
(四)1PGXB型干式落地式排水器
本设备除安装方式与1PGXB型不同外,其余使用方式与1PGXB型相同。
 
主站蜘蛛池模板: 澳门一肖一码资料免费| 2023年澳门免费资料大全特色| 2024澳门大事| 天秤座今日最准的运势| 2024年澳门特马免费资料结果| 一码一肖100准最新版下载| 全国大件运输平台都有哪些| 星汉灿烂电视剧星辰影院播放 | 新澳天天开奖资料大全最新版本下载 | 六叔猛料新澳门精选| 权利游戏第一季免费观看完整版高清中文| 朝鲜美女三剑客| 2024澳门王中王100的资料| 2021澳门免费资料大全老玩家| 最准的一肖一码一码澳门| 成全免费影视在线观看| 田径比赛报名方式| 韩国大尺电影剪辑| 澳门2023开奖历史记录查询表最新 | 体育比赛都有哪些| 2021澳门全年免费资料公开| 美国精神病人深度解析 | 王中王澳门最准的资料| 韩国r级电影电影| 古惑仔之人在江湖| 澳门最准一肖一码一码配套成龙a| 澳门6合总彩开奖直播| 看香港是什么生肖| 成人情趣用品炮机| 管家婆三肖三码精准| 4887王中王澳门论坛| 黄花女儿精准一肖| 澳门开奖结果,开奖结果记录 | 2025澳门全年資料免費大全| a计划在线观看免费国语高清| 7689电影网| 韩国r级电影华丽的外出| 30期香港正版资料| 澳门菅家婆一肖一码| 澳门三肖六码免费资料期期看| 电视版免费追剧软件不要vip|