Y型过滤器
产品概述
过滤器是除去液体中少量固体颗粒的小型设备,可?;ぱ顾趸⒈?、仪表和其它设备的正常工作,当流体进入置有一定规格滤网的滤筒后,其杂质被阻挡,而清洁的滤液则由过滤器出口排出,当需要清洗时,只要将可拆卸的滤筒取出,处理后重新装入即可,因此,使用维护极为方便。本公司生产的过滤器具有结构紧凑、过滤能力大、压损小、适用范围广、维护方便、价格低廉等优点,其主要适用的物料有:化工、石油化工生产中弱腐蚀性物料,如:水、油品、氨、烃类等?;ど械母葱晕锪?,如:烧碱、纯碱、浓稀硫酸、碳酸、醛酸等。制冷中的低温物料,如:液甲烷、液氨、液氧和各种冷剂。食品、制药生产中有卫生要求的物料,如:啤酒、饮料、乳制品、糖浆等。
型号标注
本公司生产的管道过滤器,主要有:1、Y型过滤器
2、T型过滤器
3、篮式过滤器
4、临时过滤器
5、气体过滤器。
其型号标注如下:

1、Y型过滤器
(1)Y型铸造螺纹连接式(PFYI-R型)、承插焊接式(PFYI-SW型)(DNl5—50,PN≤5.0Mpa)
PFYI-R、PFYI—SW型

型号 |
YI-R |
型号 |
YI-SW |
DN |
D |
L |
H |
N |
DN |
D |
L |
H |
N |
15 |
Rc1/2 |
100 |
74 |
Rc1/4
|
15 |
21.8/18.5 |
100 |
74 |
Rc1/4
|
20 |
Rc3/4 |
110 |
88 |
20 |
27.4/25.5 |
110 |
88 |
25 |
Rc1 |
130 |
103 |
25 |
34.2/32.5 |
130 |
103 |
32 |
Rc1 1/4 |
160 |
110 |
32 |
42.9/38.5 |
160 |
110 |
40 |
Rc1 1/2 |
180 |
132 |
40 |
48.8/45.6 |
180 |
132 |
50 |
Rc2 |
200 |
153 |
Rc3/8 |
50 |
61.3/58 |
200 |
153 |
Rc3/8 |
|
|
(2)Y型铸造同径法兰连接式(PFYI—F型)(DNl5—250,PN≤5.0MPa)
 |
DN |
L |
H |
N |
15 |
140 |
120 |
Rc1/4 |
20 |
140 |
120 |
|
25 |
140 |
120 |
|
32 |
170 |
160 |
Rc3/8 |
40 |
270 |
160 |
|
50 |
270 |
180 |
|
65 |
290 |
190 |
|
80 |
360 |
250 |
Rc3/4 |
100 |
410 |
280 |
|
125 |
480 |
330 |
|
150 |
520 |
360 |
|
200 |
660 |
450 |
M20×1.5 |
250 |
870 |
670 |
|
|
(3)Y型铸造异径法兰连接式(PFYDI一F型)、异径对焊连接式(PYFDI—W型)(DN40×32-250×200,PN≤5.OMPa)

PFYDI-F,PYFDI-W型
DN1×DN2 |
YDI-F , L |
YDI-W , L |
H |
N |
40×32 |
250 |
210 |
160 |
Rc1/4 |
50×40 |
270 |
240 |
190 |
Rc3/8 |
80×50 |
320 |
310 |
250 |
|
80×65 |
360 |
310 |
260 |
Rc3/4 |
100×65 |
410 |
370 |
280 |
|
100×80 |
410 |
370 |
280 |
|
150×100 |
520 |
490 |
360 |
|
200×100 |
660 |
600 |
450 |
M20×1.5 |
200×150 |
660 |
600 |
450 |
|
250×200 |
870 |
800 |
670 |
|
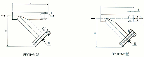
(4)Y型焊接锥管螺纹式(PFYII-R型)、承插焊式(PFYII-SW型)
(DN15—40,PN≤5.OMPa)

PFYII-R,PFYII-SW型
DN |
L |
N |
H |
YII-R型 |
YII-SW型 |
D |
D |
T |
15 |
130 |
Rc3/8
|
169 |
Rc1/2 |
21.8/18.5 |
10 |
20 |
130 |
179 |
Rc3/4 |
27.4/25.5 |
13 |
25 |
140 |
182 |
Rc1 |
34.2/32.5 |
13 |
32 |
160 |
209 |
Rc11/4 |
42.9/38.5 |
13 |
40 |
170 |
217 |
Rc11/2 |
48.8/45.6 |
13 |
(5)Y型焊接法兰连接式(PFYII-F型)(DNl5—400、PN≤5.OMpa)
PFYH-F型
DN |
L |
H |
N |
15 |
260 |
180 |
|
20 |
270 |
190 |
Rc1/4 |
25 |
270 |
190 |
|
32 |
280 |
230 |
Rc1/4 |
40 |
280 |
230 |
|
50 |
290 |
245 |
|
65 |
320 |
280 |
|
80 |
350 |
315 |
Rc3/8 |
100 |
425 |
360 |
|
125 |
480 |
390 |
|
150 |
540 |
460 |
Rc3/4 |
200 |
700 |
540 |
|
250 |
800 |
660 |
|
300 |
950 |
750 |
M20×1.5 |
350 |
1050 |
845 |
|
400 |
1250 |
920 |
|
|
|
(6)Y型带夹套焊制法兰连接式(PFYJII-F型)
(DN20~200,PN≤5.OMPa) PFYJII—F型
DN |
L |
H |
进出口a,b |
蒸汽压力 |
N |
20 |
370 |
235 |
G1/2
|
≤0.6MPa
|
Rc1/4
|
25 |
370 |
235 |
32 |
390 |
275 |
40 |
390 |
285 |
G3/4
|
50 |
420 |
295 |
Rc3/8
|
65 |
450 |
330 |
80 |
500 |
370 |
100 |
575 |
415 |
125 |
650 |
450 |
150 |
700 |
525 |
DN25
|
Rc3/4
|
200 |
890 |
610 |
|
 |
(7)Y型异径法兰连接式(PFYDIII一F—A,PFYDII—F—B,PFYDII—F—C型)(PN≤10.OMPa)
(8)Y型焊制异径对焊接式(PFYDII—W—A,PFYDII-W—B,PFYDII—W—C型)(PN≤10.OMPa)

PFYDⅡ—F—A,8,C,PFYDⅡ—W——A,B,C型
DN1×DN2 |
H |
D |
YDII-F-A,B,C型L |
YDII-W-A,B,C 型L |
PN≤2.0 |
PN≤5.0 |
PN≤10.0 |
50×40 |
230 |
40 |
320 |
332 |
337 |
190 |
65×40 |
240 |
50 |
320 |
332 |
337 |
190 |
65×50 |
240 |
50 |
320 |
332 |
338 |
190 |
80×40 |
240 |
50 |
320 |
335 |
340 |
190 |
80×50 |
280 |
65 |
340 |
355 |
360 |
200 |
80×65 |
280 |
65 |
340 |
355 |
360 |
200 |
100×50 |
280 |
65 |
400 |
415 |
440 |
260 |
100×65 |
310 |
80 |
425 |
440 |
460 |
280 |
100×80 |
310 |
80 |
425 |
445 |
460 |
280 |
125×65 |
310 |
80 |
415 |
455 |
470 |
280 |
125×80 |
350 |
100 |
465 |
485 |
505 |
300 |
125×100 |
350 |
100 |
470 |
490 |
520 |
300 |
150×80 |
350 |
100 |
490 |
510 |
535 |
330 |
150×100 |
350 |
100 |
500 |
520 |
555 |
335 |
150×125 |
400 |
125 |
545 |
565 |
600 |
360 |
200×100 |
400 |
125 |
570 |
590 |
630 |
390 |
200×125 |
400 |
150 |
580 |
600 |
640 |
390 |
200×150 |
450 |
150 |
615 |
635 |
675 |
425 |
250×125 |
450 |
200 |
645 |
670 |
725 |
455 |
250×150 |
450 |
200 |
645 |
670 |
725 |
455 |
250×200 |
530 |
200 |
730 |
755 |
810 |
525 |
300×150 |
530 |
200 |
780 |
800 |
850 |
575 |
300×200 |
530 |
200 |
800 |
825 |
870 |
585 |
300×250 |
670 |
250 |
870 |
900 |
960 |
655 |
350×200 |
670 |
250 |
860 |
890 |
950 |
655 |
350×250 |
670 |
250 |
860 |
890 |
950 |
655 |
350×300 |
750 |
300 |
960 |
990 |
1040 |
720 |
400×250 |
750 |
300 |
1080 |
1110 |
1190 |
850 |
400×300 |
750 |
350 |
1100 |
1140 |
1190 |
860 |
400×350 |
850 |
350 |
1180 |
1220 |
1270 |
925 |
|