新一代跑狗社论坛最新活动,新奥2025天天开好彩,777778888精准新传真,港彩免费资料563737,澳门香港免费公开

欢迎访问启东春立机械设备有限公司官网!
邮箱地址:cl@qdclgs.com
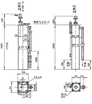
MGPB型系列煤气冷凝水排水器
1、MGPB型排水器适用于不同压力的各种工业煤气架空管道。
2、该排水器必须采用压力给水,给水量为2-4t/h。
3、排水器上设有蒸汽或氮气吹扫头,为防止煤气窜入蒸汽或氮气管内只有在通蒸汽或氮气时,才能把蒸汽或氮气与煤气和管道连通,停用时必须断开或堵盲板。
4、排出器冷凝水应集中处理。
5、设在露天的排水器有寒冷地区要采取防冻措施,设在室内的应有良好的自然通风。
MGPB型排水器系列规格选用表
型 号
允许煤气
最高压力
(KPa)
水封
高度
mm
外形尺寸(mm)
上水管
管径DN
(mm)
上水管
管径DN
(mm)
吹扫管
管径
Φ×δmm

煤气冷凝
水管径
Φ×δmm

筒外径Φ
筒高H
MGPB-I
14.01
2000
426
2400
20
80
Φ159×5
MGPB-II
21.48
2700
529
1750
25
80
Φ22×3
Φ108×6
MGPB-III
34.23
4000
529
2700
25
80
Φ22×3
Φ108×6
                MGPB-II、MGPB-III型    MGPB-I型
 
主站蜘蛛池模板: 2024新澳资料免费长期公开| 一码一肖100%准一肖一码| 2024澳门一肖一码期期准| 澳门今晚必中一肖一码准确9995i| 澳门今晚开特马资料2022 | 澳门一码一肖一特一中34| 澳门精准六肖免费资料| 刘伯温三肖三码必中一期| 泛解析源码PHP| 免费追剧无广告无会员的软件| 刘伯温四肖八码精准资料| 最准一肖一码100%精准的评论| 2023一肖一码100精准大全| 新澳门现场开奖历史记录| 香港二四六开奖免费资料汕头六哥| 天堂影院电视剧电影免费观看 | 澳门最真正最准资料大全| 体育最新赛事| 星空影院免费观看在线高清下载| 香港澳门六开彩开奖网站刘| 缘,妙不可言表情包| 新澳好彩免费资料查询100期| 33249.com查询澳彩开奖结果| 澳门六网站资料查询91111| 国产恐怖片排行榜前十名电影 | 大型国际体育赛事| 白小姐中特期期准选一| 1877澳门资料免费大全| 妈妈再爱我一次| 新澳门6合开彩开奖结果查询2023年| 2024年香港今晚开奖号码| 澳门六肖中特期期准免费 | 76在线看电影免费| 澳门精准12码内部资料| 888电影网电影播放| 2023年澳门开奖记录大全| 2024年澳彩公开资料| 澳马开奖结果今晚| 777电影院院在线| 庆余年2在线观看免费版高清30集| 澳门精准免费资料大全53|