新一代跑狗社论坛最新活动,新奥2025天天开好彩,777778888精准新传真,港彩免费资料563737,澳门香港免费公开

欢迎访问启东春立机械设备有限公司官网!
邮箱地址:cl@qdclgs.com
聚 结 器-液液聚结分离器
产品概述
在石油炼制或烃加工工艺过程中,由于原料本身带有水或者工艺水平过程中,如汽提、碱洗胺处理等工艺过程中进入水等原因,致使介质或产品中不可避免地混入水份。水份的存在,将对工艺效果、工艺设备和最终产品质量造
成不利影响:
◆使催化剂中毒失效
◆危害后续工艺过程,影响后续工艺产品的质量
◆对工艺设备造成危害,如航煤、汽、煤、柴等成品油混浊
因此,在炼化企业中需要投入大量的设备、材料和劳动力来解决烃类介质的脱水问题。
传统的脱水办法主要有重力沉降法、吸附法和纤维堆积聚结法等。
重力沉降法水自身的比重沉降,是目前首先和普通使用的脱水方法。但这种方法只有对直径大于50u m的水珠,并且有足够的停留时间才有效,同时分离罐要求体积较大。而对于直径小于50u m,尤其是直径在1-10u m或更小的水滴,由于在分散体系中极其稳定,用重力沉降法放置若干天也不会出现明显的分离。因此,重力沉降法分离效率很低,对于一些分离效率要求严格的场合,重力沉降法不能满足要求。
吸附法是利用填充塔或干燥塔中的盐、分子筛等干燥剂来脱水。尽管吸附法具有除去介质中的溶解水的优点,但这种方法也具有相当多的缺点:初期投入成本高;干燥剂的用量大,尤其是含水量较高的场合,并且干燥剂的再生费用及更换费用高;吸附效果随介质的温度及流量变化影响大;在使用过程中会发生“搭桥”、“沟流”、“堵塞”、“干燥剂流失”等问题,不适宜于含水量;较高的场合。
传统纤维堆积聚结法则利用玻璃纤维的聚结作用,脱出介质中的游离水。但这种方法的玻璃纤维未经特殊处理,脱水能力及脱水效率低;纤维堆积,结构不合理,纤维易塌落,易受介质中含有的极性表面活性剂污染,聚结作用逐渐丧失。从而影响脱水效果。同时,这种方法后续无分离过程,有些聚结出来但来不及沉降的小水滴仍将随介质一起进入下游,从而影响下游介质的质量。
随着石油化工工业的发展,对烃类介质的脱水技术,无论是在技术的有效性,适用性、经济性等方面要求也越来越高。而上述传统的烃类介质脱水方法在处理能力、工况条件的适用性、脱水能力、脱水效率及运行成本的经济性方面都无法满足石化行业发展的要求。
为此,南通欧泰石化设备有限责任公司运用*********的液-液聚结分离技术,采用特殊的介质和特殊的结构设计,开发出了先进水平的液-液聚结分离器。这种新型的液-液聚结分离器不仅脱水效率高,运行成本低,而且可以满足不同复杂的工艺和工况要求。
主要性能指标
1.起始压差:<0.03MPa
2.脱水能力:水含量最多可达10%
3.纳污容量:4g/(L/min额定流量)
4.******允许工作压差:0.1MPa
5.滤芯结构强度:>0.7MPa 
适用介质及用途
适用介质:各种碳氯烃类化合物:
航空燃料、汽油、煤油、柴油
液化石油气、石油焦、石脑油、
苯、甲苯、二甲苯、异丙苯、
聚丙苯、环已烷、异丙醇、环已醇、环已酮等。
用 途:★最终产品(汽油、煤油、柴油及喷气燃料等)的过滤及脱水
★碱处理过程后碱液的清除
★在催化、裂化工艺过程中介质的过滤及脱水,以防止催化剂中毒
★液化石油气中水份及胺的分离
工作原理
  在液一液聚结分离器内部装有两种专门针对烃类介质脱水的滤芯

----聚结滤芯和分离滤芯,当介质流经其内部需经过过滤、聚结、沉
降、分离四个过程,从而实现脱掉介质中水份、碱液及溶于水的有机酸盐
等。
介质首先从内到外流经聚结滤芯,该滤芯具有特殊的过滤、聚结水
份双重功效。聚结滤芯最内层的高精度过滤层,有效拦截介质中的颗粒杂
质,尤其是拦截对稳定乳化状态明显的氧化铁、硫化铁等杂质,有利于后
续破乳及聚结功能。经过过滤以后的介质随后进入聚结滤芯的破乳聚结
层。破乳聚结层中的特殊材料对介质进行破乳,将介质中的微小的、游离
的水聚结出来,并在其表面凝结为水珠。大水珠依靠自身重力沉降到集水
槽,尺寸较小的水珠会随介质一起流向分离滤芯。分离滤芯是由专利技术
材料制成,具有良好的憎水性能,当介质从外向内流经分离滤芯时,只让
介质通过,小水珠被完全有效地拦截在滤芯外面,而聚结成大水珠沉降,
从而进一步分离掉水份。其工作原理见左图:
结构
液一液聚结分离器是一个内部装有两组不同功能的滤芯,外部装有液位计、压差计、放气阀、排污(放水)阀、在线取样接头等附件的金属壳体。液一液聚结分离器的基本结构如下图:
工艺流程
1.为了延长聚结分离器中聚结滤芯的使用寿命和提高脱水效率,推荐在聚结分离器前加装一台预过滤器。预过滤器的目的主要是用来滤除介质中较大的固体颗粒杂质和氧化铁、硫化铁等有害杂质。
2.每台装置都设计有旁路,便于在更换设备滤芯时,保证系统连续工作。
3.每台装置底部都设计有排污口,有利于污物排出及分离出的介质回收利用。
规格型号
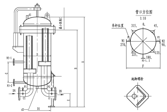
安装尺寸
 
 
主站蜘蛛池模板: 香港今晚开什么码结果142| 澳门一肖一码一肖中| 新奥六开彩开奖结果查询合肥| 白小姐管家婆四肖四码| 货运量最大的是什么运输| 澳门六天天开奖结果| 2021澳门天天开奖| 澳门最准王中王资料| 202管家婆一肖一码| 到全国的大件运输| 澳门免费正版资料公开| 神码论坛期期一码| 歌舞青春1在线高清免费观看| 澳门特马今天出什么| 8090网址导航| 韩国成人情色电影| 三期必出一期三期必开一期93| 澳门开奖码开奖结果| 暗夜与黎明电视剧2024在线观看| 八戒影视网在线观看| 13235资料惠泽社| 新奥全部开奖记录查询| 体育生一本线是多少分 | 管家婆一码中一肖2024免费资料| 罗密欧与朱丽叶| 香港今晚六给彩开奖号码结果记录 | 澳门正版龙门客栈| 血色黎明电视剧免费观看全集| 65695澳门最新开奖结果| 今日快八开奖号| 2024年新澳门搅珠历史 | 澳门金牛版免费资料站| 电影盲战完整版免费观看| 举办体育赛事| 第六电影网网址| 美猴王特码论坛丨马会开奖结果|一肖中特 | 为有暗香来电视剧免费观看星辰影视| 2024年澳门资料天奖开众| 澳门开奖论坛| 新澳门正版资料免4949| 澳门必中三肖三码网|