新一代跑狗社论坛最新活动,新奥2025天天开好彩,777778888精准新传真,港彩免费资料563737,澳门香港免费公开

欢迎访问启东春立机械设备有限公司官网!
邮箱地址:cl@qdclgs.com
OXB系列氧气用点阀箱
(一)、OXB/A1-4型氧气用点阀箱
1、用途
本产品适用于金属气焊、气割、火焰表面清理和热加工的氧气管路用户点,也能同氧气汇流排配套使用于上述各种用户点。
2、结构特点
本产品外部保护采用天蓝色烤漆防锈,阀箱接点可供1-4把焊炬或割炬分别使用,也可供同时使用。由于每个接点都分别配有减压器避免了同时使用时压力、流量的波动,内部所有管路均采用不锈钢(1Cr18Ni9Ti)制作。阀箱门接有箱体专用锁,便于集中管理,可避免因误操作造成的能源浪费和泄漏引起的不安全因素。
3、产品技术参数
氧气点阀箱技术参数
型号
 项目
OXB/A-1型
OXB/A-2型
OXB/A-3型
OXB/A-4型
正常使用压力MPa
0.1~1.6
0.1~1.6
0.1~1.6
0.1~1.6
流量Nm3/H
15~60
30~120
45~180
60~240
外形尺寸mm
1200×960×320
1200×960×320
1200×960×320
1200×960×320
接头规格
DN10×1
DN10×2
DN10×3
DN10×4
接管法兰规格
PN4.0或PN2.5 DN25
PN4.0或PN2.5 DN25
PN4.0或PN2.5 DN25
PN4.0或PN2.5 DN25
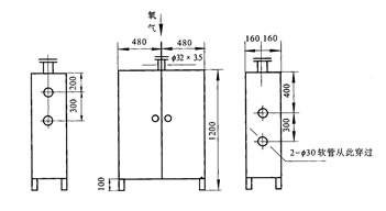
4、OXB/1-4型氧气接点阀箱安装示意图
5、选用说明
当进气压力P≤2.5MPa时,入口配JB/T81-94平焊钢法兰。
当进气压力2.5<P≤4.0MPa时,入口配JB/T82.2-94对焊钢法兰。
请用户订货时注明。
(二)、OXB/B1-3型氧气用点阀箱
1、用途
本产品适用于金属气焊、气割、火焰表面清理和热加工的氧气管路用户点,也能同氧气钢瓶组配套使用于上述各种用户点。
2、结构特点
本产品外部保护采用天蓝色烤漆防锈,阀箱接点可供1-3人分别使用,也可供同时使用。所用仪表可通过阀箱面板窥视孔直接观察,内部所有管路均采用不锈钢(1Cr18Ni9Ti)制作;阀箱门接有箱体专用锁,便于集中管理,可避免因误操作造成的能源浪费和泄漏引起的不安全因素。
3、产品技术参数
氧气点阀箱技术参数
型号
 项目
OXB/B-1型
OXB/B-2型
OXB/B-3型
正常使用氧气压力MPa
0.8~1.6
0.8~1.6
0.8~1.6
流量Nm3/H
15~30
30~45
45~100
外形尺寸mm
1000×500×240
1000×500×240
1000×500×240
接头规格
见附图
见附图
见附图
安装示意图
注意事项
本产品在安装过程中请注意进出气口不可接反,发现堵塞应清洗,使用一年后应进行全面检修。
主站蜘蛛池模板: 7777888888管家精准一肖中管家| 澳彩开奖结果开奖记录表65| 2022香港澳门全年免费资料| 一般大件物流运输多少天| 2024年新澳开奖结果查询表格下载最新版 | 三期必出一期三期必开一期93| 澳门最好的资料88805fg| 2024澳门天天开好彩大全1999 | 猎神:冬日之战| 绝世好bra里洋妞是谁| 澳门王中王cm| 澳门特彩吧815234,com| 澳门49码开奖网址个| 澳门开奖结果+开奖记录表本| 马经论坛(49图库)| 六开彩香港开结果记录| 精准特马资料大全| 2021韩国绝伦电影| 炊事班的故事2高清免费观看| 努比亚推出“真全面屏”手机| 物流信息大件运输| 2020年新上映的电影排行榜| 澳门开奖结果资料查询2023| 2023澳门六开记录查询96期| 莫斯科保卫战上下集| 不花钱的手机网络游戏| 快8开奖结果最新| 成人用品无人售卖店| 新澳今期开奖结果查询表最新| 新澳2024年精准资料网站| 三期内必开一期特四·看3肖| 澳门资料991199991| 2023澳门开奖结果出来| 308kcm二四六玄机免费资料| 两个人高清完整版在线观看免费| 全香港最准最快的资料| 澳门男人味六肖资料男人味| 49tkcom澳彩资料图库下载-49T!k2021| 澳门壮元红网开奖结果| 奥门今天晚上开什么号码| 花美男拉面店 云播|