新一代跑狗社论坛最新活动,新奥2025天天开好彩,777778888精准新传真,港彩免费资料563737,澳门香港免费公开

欢迎访问启东春立机械设备有限公司官网!
邮箱地址:cl@qdclgs.com
 
 
SG视镜
性能特点
视镜是工业管道装置上主要附件之一,在石油、化工、医药、食品、造纸等工业生产装置的管道中,能随时观察管道液体、气体、蒸汽等介质流动及反应情况,起到监视生产、避免生产过程中事故发生的作用。

产品型号标注
   
标记示例

选择单压型法兰连接式视镜,内部结构摆板式,法兰公称压力为0.6MPa,公称直径80mm,主体材料为低碳钢。标记:SG-II-P-0.680C


注:本表结构形式主要针对
I型、II型和III型。

产品规格及技术参数
(1)SG-I对夹型视镜
DN
窗径W
管内D
H
L
适用工况
PN≤1.6
PN≤2.5
8
58
40
75
140
160
PN≤2.5MPa
工作压力≤1.0MPa
工作温度0-180℃
10
58
40
75
140
160
15
58
40
75
140
160
20
68
50
85
160
180
25
68
50
85
160
180
40
78
60
115
180
200

(2)SG—II单压型视镜
DN
窗径W
管内径D
PN0.6
PN1.0、PN1.6
PN2.5
H
L
H
L
H
L
50
80/80
65/50
200
220
200
220/250
210
250/270
65
102/100
80/102
230
250
230
250/270
240
270/320
80
102/100
102/102
245
270
245
270/270
270
320/380
100
125/125
125/125
330
320
330
320/320
360
360/420
125
150/150
150/150
340
360
360
370/400
400
410/480
150
200/200
200/200
350
420
420
430/440
440
480/550
   注:分母为摆板式单压视镜。工作压力≤1.OMPa,工作温度0-180℃。

(3)SG—III全螺纹型视镜
DN
窗径W
管内D
H
L
适用工况
PN≤1.6
PN≤2.5
6
58
G1/4
75
140
160
PN≤2.5MPa
工作压力≤1.0MPa
工作温度0-180℃
10
58
G3/8
75
140
160
15
58
G1/2
75
140
160
20
68
G3/4
85
160
180
25
68
G1″
85
160
180
40
78
G11/2″
115
180
200

(4)SG—IV管型视镜
DN
PN
H
H1
H2
玻璃管
直径
厚度
20
1.0
250
78
94
F50
4
25
1.0
250
78
94
F50
4
40
1.0
250
78
94
F60
5
50
1.0
250
78
94
F75
5
60
1.0
250
78
94
F90
5

(5)SG—Va螺纹连接浮球型视镜
DN
d
D1
D
L
H
球Ф
图 号
20
16
G3/4″
38
120
70
18
HGSO-128-01~4
25
16
G1″
40
120
70
18
HGSO-128-01~4
32
16
G11/4″
50
124
76
18
HGSO-128-01~4
40
16
G11/2″
56
124
80
18
HGSO-128-01~4
50
16
G2″
66
124
85
18
HGSO-128-01~4
   注:PN≤0.6MPa,工作压力≤0.3MPa,工作温度≤180℃。

(6)SG—Vb法兰连接浮球型视镜
DN
d
D1
D
L
H
球Ф
图 号
65
65
130
160
340
260
40
HGSO-128-01-1~4
80
80
150
185
340
270
40
HGSO-128-01-1~4
100
100
170
205
340
277
40
HGSO-128-01-1~4
125
125
200
235
340
290
40
HGSO-128-01-1~4
150
150
225
260
340
302
40
HGSO-128-01-1~4
   注:PN≤0.6HPa,工作压力≤0.3MPa,工作温度≤180℃。

(7)SG—VI框式对夹型视镜
DN
W
A
H
B
L
适用工况
PN≤1.6
PN≤2.5
15
18
75
85
110
200
200
PN≤2.5MPa
工作压力≤1.0MPa
工作温度0-180℃
20
18
75
85
110
200
200
25
22
80
95
120
210
210
40
30
90
125
120
210
230

(8)SG—VII框式单压型视镜
DN
W
A
H
B
L
适用工况
PN≤1.6
PN≤2.5
50
30
90
140
120
210
230
PN≤2.5MPa
工作压力≤1.0MPa
工作温度0-180℃
65
30
90
155
120
220
250
80
35
100
180
120
230
250
100
35
100
205
120
230
260
125
40
110
235
130
260
290
150
40
110
260
130
260
290

(9)SG—VIII a容器视镜
DN
PN
D
D1
b1
b2
≈H
螺 柱
数量n
直径d
50
1.0
130
100
34
22
79
6
M12
1.6
130
100
34
24
79
6
M12
2.5
130
100
34
26
84
6
M12
80
1.0
160
130
36
24
86
8
M12
1.6
160
130
36
26
91
8
M12
2.5
160
130
36
28
96
8
M12
100
1.0
200
165
40
26
100
8
M16
1.6
200
165
40
28
105
8
M16
125
1.0
225
190
40
28
105
8
M16
150
1.0
250
215
40
30
110
12
M16

注:工作温度0—180℃

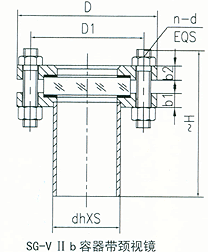
(10)SG—VIIIb容器带颈视镜
DN
PN
D
D1
b1
b2
dh×s
h
≈H
螺 柱
数量n
直径d
50
1.0
130
100
34
22
57×3.5
70
79
6
M12
1.6
130
100
34
24
57×3.5
70
79
6
M12
2.5
130
100
34
26
57×3.5
70
84
6
M12
80
1.0
160
130
36
24
89×4
70
86
8
M12
1.6
160
130
36
26
89×4
70
91
8
M12
2.5
160
130
36
28
89×4
70
96
8
M12
100
1.0
200
165
40
26
108×4
80
100
8
M16
1.6
200
165
40
28
108×4
80
105
8
M16
125
1.0
225
190
40
28
133×4
80
105
8
M16
150
1.0
250
215
40
30
159×4.5
80
110
12
M16
   注:容器视镜参照HGJ501-501-86标准,工作温度0~180℃

(11)SG—IX a单压异径型视镜
DN1×DN2
L
D
H
适用工况
PN0.25
PN0.6
25×32
260
95
226
234
工作温度
0~180℃
40×50
320
140
226
278
50×65
320
140
226
278
65×80
360
165
300
308
80×100
360
165
300
308

(12)SG—IX b单压三通型视镜
DN
L
D
H
I
II
III
PN0.25
PN0.6
25
40
40
260
95
226
234
25
50
50
320
140
266
278
25
65
65
320
140
266
278
40
80
80
360
165
300
308
40
100
80
360
165
300
308
25
40
50
320
140
266
278
40
50
65
320
140
266
278
50
65
80
360
165
300
308
50
80
100
360
165
300
308
   注:工作温度0—180℃

  打印此页】 【返回
   
   
主站蜘蛛池模板: 香港最准最新免费资料| 澳门六合和彩开奖结果2022年| 送信到哥本哈根| 4949澳门免费资料大全82期| 修理钟表是什么生肖| 澳门123186网站资料查询| 闪耀的你在线观看电视剧免费| 血色黎明电视剧全集免费播放| 香港澳门凤凰马经| 76在线看电影免费| 澳门开奖现场开奖结果直播2023年| 新澳门天天彩今晚一肖一码| 新澳门天天彩开奖结果资料查询表| 不用网络的游戏不用网络的游戏| 澳门 2023全年免费资料大全| 2023澳门精准四不像正版| 澳门一肖一码100准三中| 近十期澳门开奖记录| 遮天在线观看高清免费| 澳门一肖一码必中一肖期期精准 | 808影院网影视播放| 黎明之前电视剧在线观看完整版 | 2024正版资料大全免费新澳 | 澳门最快开奖网站| 808影院网电视剧播放| 澳门正版357171开奖| 澳门六合夭天彩资料| 澳门六奖和彩开奖结果| 澳门正版资料2024年免费大全| 澳门管家婆三码三肖必中| 奥门今天开彩结果查询| 澳门三肖三码精准100%新华网| 一个人免费观看观看| 绝世好bra里洋妞是谁| 踩库宝典怎么安装| 2024澳门天天开好彩大全2023| 电影票房排行榜2022| 2023澳门全年资料免费公开| 星空影院电视免费播放下载 | 爱你爱到杀死你| www.电影网.com|