新一代跑狗社论坛最新活动,新奥2025天天开好彩,777778888精准新传真,港彩免费资料563737,澳门香港免费公开

欢迎访问启东春立机械设备有限公司官网!
邮箱地址:cl@qdclgs.com
BMV、BMG系列煤气安全阀箱
(一)、BMV/B1-3型煤气安全阀箱
1、用途
本产品适用于金属气焊、气割、火焰表面清理和热加工的硫、焦油、萘等不纯物含量较低的煤气管路用户点。
2、结构特点
本产品外部保护箱采用灰色烤漆防锈,阀箱接点(含岗位回火防止装置)可供1-3人分别使用也可供同时使用。所有仪表可通过阀箱面板窥视孔直接观察,内部所有管路均采用优质碳钢制作。阀箱门接有箱体专用锁,便于集中管理,可避免因误操作造成的能源浪费和泄漏引起的不安全因素。
3、 产品技术参数
BMV/B1-3型煤气安全阀箱技术参数
型号
 项目
BMV/B-1型
BMV/B-2型
BMV/B-3型
正常使用氧气
压力MPa
0.02~1.6
0.02~1.6
0.02~1.6
流量Nm3/H
5
10
15
外形尺寸mm
800×380×280
1800×680×280
800×980×280
接头规格
见附图
见附图
见附图
 注:BMV/B1-3型煤气安全阀箱安装示意图同BC2H2/B1-3型乙炔气用点阀箱安装示意图。
注意事项
本产品在安装过程中请注意进出气口不可接反,发现堵塞应清洗,使用一年后应进行全面检修且需更换密封件,装配后应进行试压、回火试验合格,以保证阻火性能。
(二)、BMG/B1-4型煤气用点阀箱
1、用途
本产品适用于气焊、气割、火焰表面清理和热加工的焦炉煤气及混合煤气管道用点。
2、结构特点
本产品外部保护箱采用灰色烤漆防锈,阀箱接点可供1-4人焊炬或割炬分别使用,也可供同时使用。所用仪表可通过阀箱面板窥视孔直接观察,阀箱内部分配器均选用优质碳钢制作。阀箱门装有箱体专用锁,便于集中管理,可避免因误操作造成的能源浪费和泄漏引起的不安全因素。
3、产品技术参数
BMG/B1-3型煤气安全阀箱技术参数
型号
 项目
BMG/B-1型
BMG/B-2型
BMG/B-3型
BMG/B-4型
正常使用氧气
压力MPa
0.01~0.1
0.01~0.1
0.01~0.1
0.01~0.1
流量Nm3/H
5~10
10~20
15~30
20~40
外形尺寸mm
1400×660×440
1400×660×440
1400×660×440
1400×660×440
接头规格
DN15×1
DN15×2
DN15×3
DN15×4
接管法兰规格
JB/T81-94
PN1.0 DN50
JB/T81-94
PN1.0 DN50
JB/T81-94
PN1.0 DN50
JB/T81-94
PN1.0 DN50
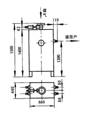
4、BMG/B1-4型煤气接点阀箱安装示意图
5、使用说明
(1)操作时,接管法兰DN50与系统中的阀门相并开阀,用软管将接头DN15与焊炬或割炬相连,关上扫阀及箱内的排污阀即可向焊炬或割炬供煤气。
(2)吹刷时,关上进气阀及接头阀门,用软管吹扫阀门与吹刷介质或氮气相接,打开排污阀即可阀箱进行吹扫。
 
主站蜘蛛池模板: 澳门天天彩2024最新开奖| 188开奖澳门今晚开奖结果| 背鸭子的男孩影评从影视空间来看| 噢门最新免费六和彩资料澳澳门| 101影视网影视迅雷| 澳门开奖结果开奖记录表一| 62103cσm查询澳彩资料| 电影韩国王的男人| 2024年香港资料免费大全| 新澳门开奖记录大全| 2024年新澳正版| 澳门今晚必中一肖一码恩爱一生| 精准三肖三码期期必中| 偶像来了第一季在线观看完整版免费高清| 澳门彩库网| 808影院网WWW在线| 韩国办公室恋情电影| 2020开奖历史澳门记录| 澳门大三巴简化| 2828电影网天天干| 澳彩资料网正版图片大全| 2024新澳门免费资料大全| 香港小鱼儿论坛资料| 电影票房排行榜第一名 | 体育专升本需要多少分| 2024今晚澳门开特马图| 老奥门的开奖结果记录与历史| 澳门六和资料大全| 59631com新澳门资料| 澳门4949开奖现场直播开| 我只喜欢你电视剧在线看全集| 龙珠超在线观看高清免费| 免费观看沉香如屑第一集| 从毛泽东到莫扎特| 2022澳门特马今晚开奖记录| 澳门开彩开奖+结果2023澳门香港香| 泛解析苹果cms二开| 暗夜与黎明电视剧播出时间最新| 体育普刊有哪些| 澳门简介资料大全| 韩国的电影三级|