新一代跑狗社论坛最新活动,新奥2025天天开好彩,777778888精准新传真,港彩免费资料563737,澳门香港免费公开

欢迎访问启东春立机械设备有限公司官网!
邮箱地址:cl@qdclgs.com
BC2H2/B1-3型乙炔气用点阀箱(霞普气点阀箱)
1、用途
本产品适用于金属气焊、气割、火焰表面清理和热加工的氧气管路用户点,也能同溶解乙炔钢瓶配套使用于上述各种用户点。
2、结构特点
本产品外部保护采用天蓝色烤漆防锈,阀箱接点(含岗位回火防止装置)可供1-3人分别使用,也可供同时使用。所用仪表可通过阀箱面板窥视孔直接观察,内部所有管路均采用优质碳钢制作,阀箱门接有箱体专用锁,便于集中管理,可避免因误操作造成的能源浪费和泄漏引起的不安全因素。
3、产品技术参数
型号
 项目
BC2H2/B-1型
BC2H2/B-2型
BC2H2/B-3型
正常使用氧气
压力MPa
0.07~0.15
0.07~0.15
0.07~0.15
流量Nm3/H
5
10
15
外形尺寸mm
800×380×280
1800×680×280
800×980×280
接头规格
见附图
见附图
见附图
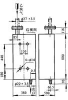
BC2H2/B-2型、3型乙炔安全阀箱安装示意图
BC2H2/B-1型乙炔安全阀箱安装示意图
注意事项
本产品在安装过程中请注意进出气口不可接反,发现堵塞应清洗,使用一年后应进行全面检修且需要换密封件,装配后应进行试压、回火试验合格,以保证阻火性能。
主站蜘蛛池模板: 澳门2021年正版资料免费公开| 老澳六开彩开奖号码查询| 澳门精准资料免费正版大全| 免费无会员追剧软件| 三码三肖期期中| 007之太空城| 成人性趣用品店| 49tkcom澳彩资料2023app大小| 电影排行榜2022最新上映| 我有一个梦电视剧在线观看| 澳洁儿资料库天天更新网站| 红姐四肖论坛| 体育足球比赛在哪里看| 2024澳门天天开开好彩大全| 新澳门大资料| 澳门2024正版资料免费公开回| 六合澳门资料4682cc| 打开澳门六开彩免费开奖| 49629澳门期期准| 2023年澳门历史开奖记录| 6vdy电影网| 393444澳门资料| 澳门最快开奖结果现场直播 | 成人情趣用品做的最好的有哪几家| 在线高清大片免费观看| 新澳门资料免费长期公开,2024| 澳门4936549com| 新澳门2024正版资料免费公开| 澳门管家婆资料一码一特一| 共助电影韩国在线看| 6080yy电影网| 新澳2024大全正版免费资料| 2020澳门精准资料大全—欢迎你,卜| 体育类核心期刊哪个容易发| 2024年澳门天天彩开奖结果| 1122影视电视剧迅雷| 开奖结果澳门马看开奖澳门今晚开奖押注 | 澳门二四六天天彩,二四六 | 澳门彩资料大全书2024年| 2021年澳门开奖记录历史| 电视剧来不及说我爱你免费播放|